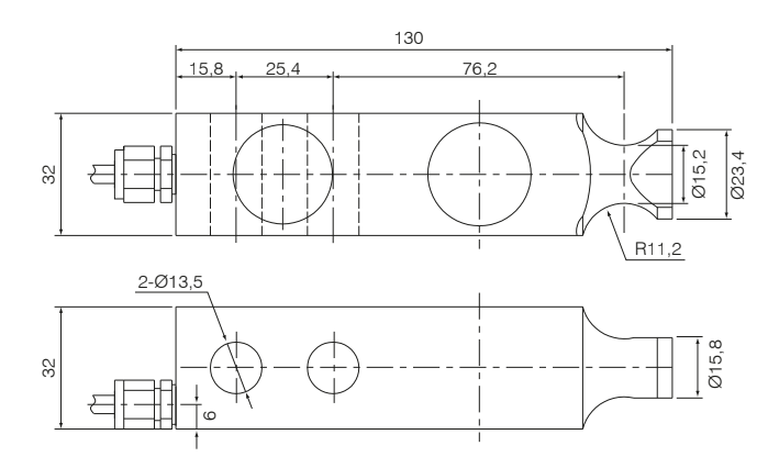
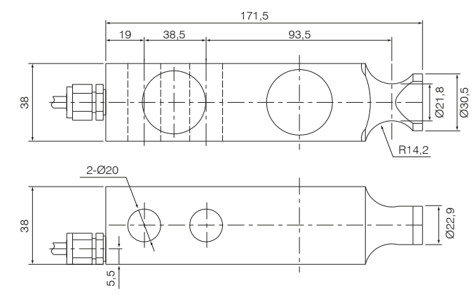
The Berman BL Load Cell provides the weighing industry with the ultimate protection necessary for today’s hostile environments in an economical low-profile range suitable for platform scale manufacture. Its low profile and all-welded laser sealing combined with high accuracy make this load cell ideally suited for platforms, pallet truck weighers, tanks, and silos.
The Berman BL unique design enables manufacturers to easily position the load cell. Hermetically sealed against moisture, the construction of the Model BL in combination with a polyurethane dual-shielded cable, enables continuous operation in harsh environments while maintaining a high operating specification.
The two additional sense wires feed back the voltage reaching the load cell. Complete compensation of changes in lead resistance due to temperature change and/or cable extension is achieved by feeding this voltage into the appropriate electronics.


| Protection class | IP65 |
|---|---|
| Material | Alloy Steel |
| Creep error 30 mins | ± 0,03% F.S. |
| Input impedance | 400 ±10 Ω |
| Internal Battery | -- |
| Nominal temp range | -30°C ~ +70°C |
| Output impedance | 352 ± 2 Ω |
| Recommended excitation | 10~12 VDC |
| Sensitivity | 2,0 ± 0.003 |
| Manufacturer | Berman Weighing Technology |
| Cable type | 6 wires; 5m length; Ø5mm |
| Interchangeable | ARTECH 30410, Revere 9723, Zemic B8K |