Applications
Feed Mixers, Forage Wagon, Grain Cart, Trailer, Baler, Bale Wrapper, Seed Tender, Manure, and Mineral Spreaders, Compactor.


| Material | Alloy Steel, Coated |
|---|---|
| Internal Battery | -- |
| Rated output | Static: 0.783 mV/V | Mobile: 0.544 mV/V |
| Manufacturer | Dinamica Generale |
| Cable type | Standard Wires |
| Cable length | 13.1 ft. / 4 m |
| Mobile Rated capacity | 12500 Lbs. / 5670 Kg |
| Static Rated Capacity | 18000 Lbs. / 8165 Kg |
| Interchangeable Brand | Digi-Star |
| Interchangeable | 403804 |
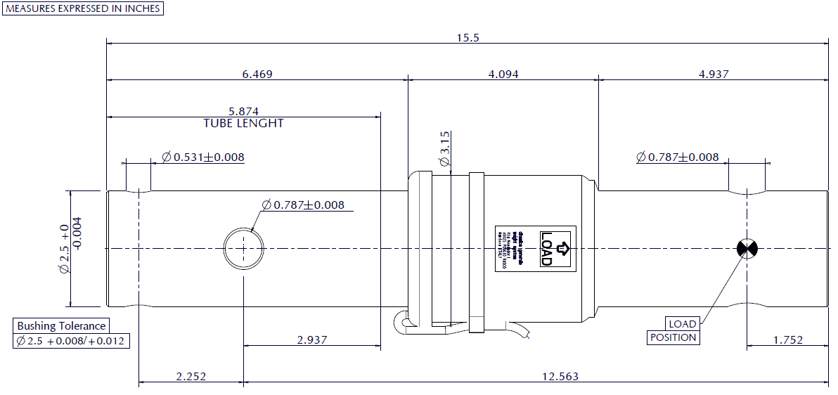
| Load Point Diameter | 2.50 in. |
| Fixing Point Diameter | 2.50 in. |
| Bar Length | 15.5 in. |