Applications
Feed Mixers, Forage Wagon, Grain Cart, Trailer, Baler, Bale Wrapper, Seed Tender, Manure, and Mineral Spreaders, Compactor.


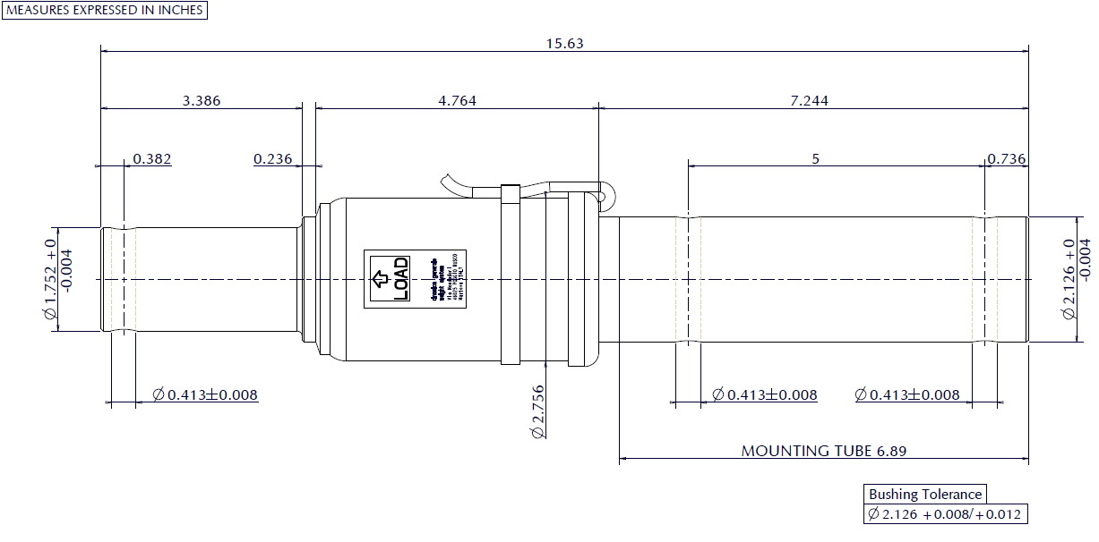
| Material | Alloy Steel, Coated |
|---|---|
| Internal Battery | -- |
| Rated output | Static: 0.68 mV/V | Mobile: 0.45 mV/V |
| Manufacturer | Dinamica Generale |
| Cable type | SPM |
| Cable length | 21 ft. / 6.4 m |
| Mobile Rated capacity | 9039 Lbs. / 4100 Kg |
| Static Rated Capacity | 13559 Lbs. / 6150 Kg |
| Interchangeable Brand | Digi-Star |
| Interchangeable | 400922 |
| Load Point Diameter | 1.752 in. |