Feed Mixers, Forage Wagon, Grain Cart, Trailer, Baler, Bale Wrapper, Seed Tender, Manure, and Mineral Spreaders, Compactor.


| Material | Alloy Steel, Coated |
|---|---|
| Internal Battery | -- |
| Rated output | Static: 1.45 mV/V | Mobile: 0.96 mV/V |
| Manufacturer | Dinamica Generale |
| Cable type | SPM |
| Cable length | 30.2 ft. / 9.2 m |
| Mobile Rated capacity | 9039 Lbs. / 4100 Kg |
| Static Rated Capacity | 13559 Lbs. / 6150 Kg |
| Interchangeable Brand | Avery Weigh-Tronix |
| Interchangeable | 12938-0010, 21594-0529 |
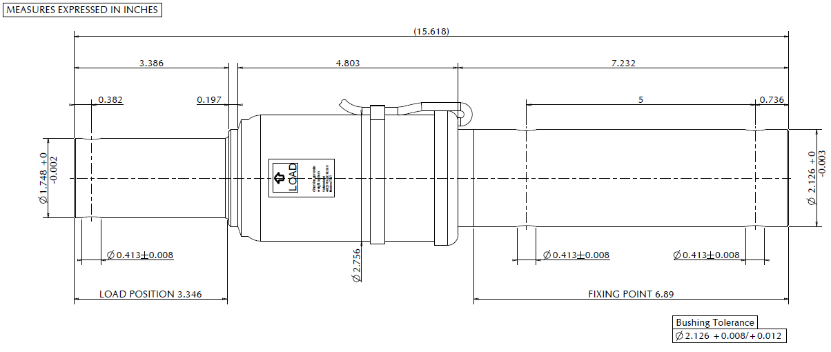
| Load Point Diameter | 1.748 in. |
| Fixing Point Diameter | 2.125 in. |
| Bar Length | 15.618 in. |