Applications
Feed Mixers, Forage Wagon, Grain Cart, Trailer, Baler, Bale Wrapper, Seed Tender, Manure, and Mineral Spreaders, Compactor.



| Material | Alloy Steel |
|---|---|
| Internal Battery | -- |
| Rated output | Mobile: 13228 lbs. @ 0.57 mV/V |
| Manufacturer | Dinamica Generale |
| Cable type | SPM |
| Cable length | 16.4 ft. / 5 m |
| Mobile Rated capacity | 20000 Lbs. / 9072 Kg |
| Interchangeable Brand | Avery Weigh-Tronix |
| Interchangeable | 21960-0079 |
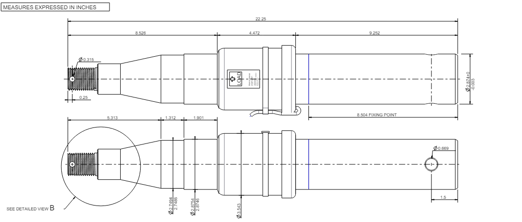
| Load Point Diameter | 1.748 in. |
| Fixing Point Diameter | 2.875 in. |
| Bar Length | 22.25 in. |